手机版
桌面版
二维码
开年换新·稳价保供
施耐德电气新客礼
亚德客电磁阀37.99元
西门子PLC
博世电动工具
西门子PLC
大采汇服务号
公告:
首页广告位出租
点击查看详情>
首页
最新采购单
优质工厂
优质产品
公众号
小程序
认证中心
采购行业分类
塑胶件
冲压件
钣金加工
包装印刷
焊接件
机加工
表面处理
锻造铸造
电子电器
机械设备
服装纺织
玻璃制品
模具加工
木材家具
首页
>
最新订单
>
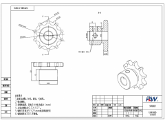
机加工
不锈钢链轮加工
点击图片查看原图
需求数量:
1000个
报价是否含税:
含税
报价是否含运费:
含运费
付款方式:
有预付
所在地:
浙江杭州市
发布时间:
2017-08-13
有效期至:
2017-08-28
[已过期]
浏览次数:
18
公司基本资料信息
您还没有登录,请登录后查看详情
注意
:查看联系方式,需开通
VIP会员
详细说明
不锈钢链轮采购,出口到国外,要带发票,要FOB进仓的价格,我们是外贸公司。
附件:
不锈钢链轮.pdf
更多
>
同类最新订单
羊眼螺丝加工
钥匙扣加工
五金支架加工
工作台配套件
封箱机机加工件
13款不锈钢定制加工
锻造件
回转轴加工