手机版
桌面版
二维码
开年换新·稳价保供
施耐德电气新客礼
亚德客电磁阀37.99元
西门子PLC
博世电动工具
西门子PLC
大采汇服务号
公告:
五一开通会员有优惠
点击查看详情>
首页
最新采购单
优质工厂
优质产品
公众号
小程序
认证中心
采购行业分类
塑胶件
冲压件
钣金加工
包装印刷
焊接件
机加工
表面处理
锻造铸造
电子电器
机械设备
服装纺织
玻璃陶瓷
模具加工
木材家具
首页
>
最新订单
>
机加工
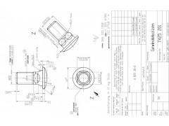
冷镦钢+机加工产品
点击图片查看原图
需求数量:
60000个
报价是否含税:
含税
报价是否含运费:
含运费
付款方式:
有预付
所在地:
浙江宁波市
发布时间:
2017-07-27
有效期至:
2017-08-26
[已过期]
浏览次数:
15
公司基本资料信息
您还没有登录,请登录后查看详情
注意
:查看联系方式,需开通
VIP会员
详细说明
材料:QST36-2
数量:6万个,
表面镀锌:6微米以上
渗碳:厚度0.15,硬度:HRC50-52。
(可以报机加工的不含渗碳不含热处理的价格。)
更多
>
同类最新订单
机加工件
活塞杆加工
铝合金车件
不锈钢加工件
带孔螺栓加工
车加工件
细轴车件
车加工