手机版
桌面版
二维码
开年换新·稳价保供
施耐德电气新客礼
亚德客电磁阀37.99元
西门子PLC
博世电动工具
西门子PLC
大采汇服务号
公告:
五一开通会员有优惠
点击查看详情>
首页
最新采购单
优质工厂
优质产品
公众号
小程序
认证中心
采购行业分类
塑胶件
冲压件
钣金加工
包装印刷
焊接件
机加工
表面处理
锻造铸造
电子电器
机械设备
服装纺织
玻璃陶瓷
模具加工
木材家具
首页
>
最新订单
>
机加工
五金件加工
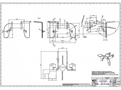
点击图片查看原图
需求数量:
3000件
报价是否含税:
含税
报价是否含运费:
含运费
付款方式:
有预付
所在地:
江苏苏州市
发布时间:
2017-07-17
有效期至:
2017-08-16
[已过期]
浏览次数:
21
公司基本资料信息
您还没有登录,请登录后查看详情
注意
:查看联系方式,需开通
VIP会员
详细说明
紧急求购10款五金件,产品需定制,要用到弹簧钢 不锈钢 冷轧钢 低碳合金钢,表面处理分为镀锌和抛光,产品图纸详见附件,如有不清楚的地方可电话咨询。
附件:
1.pdf
2.pdf
3.pdf
4.pdf
5.pdf
更多
>
同类最新订单
采购不锈钢螺纹管
快速接头加工
不锈钢折弯焊接件
外贸加工件
零件加工
不锈钢阀加工
机加工件
双耳定齿盘铣齿加工