大采汇 - 机械制造外协加工平台 - 数智化采购招标、询价报价B2B服务商

大采汇服务号

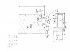
316L+PEEK合件 CNC加工 精密五金加工

点击图片查看原图
 
需求数量: 1件
报价是否含税: 含税
报价是否含运费: 含运费
付款方式: 有预付
所在地: 广东东莞市
发布时间: 2017-07-13
有效期至: 2017-08-12 [已过期]
浏览次数: 24
 
公司基本资料信息

您还没有登录,请登录后查看详情


 注意:查看联系方式,需开通VIP会员
详细说明

316L+PEEK合件 CNC加工 精密五金加工

1.下面部件材料是直径8mm的316L棒,要斜切钻孔,图纸上有个尺寸没标明,应该是矮的那边是100mm,很小的加工件

2.上面部件材料是PEEK,左边打孔直径3.85mm,右边凸起部分是直径1.95mm, 这个部分是部件难做的,但是一定要保证是1.95mm.

能做的请加QQ谢小姐 

附件:   316L+PEEK合件.pdf
更多>同类最新订单
插销车加工 搅拌杆接头加工 不锈钢箱体加工 丝杆加工 螺母加工 零件加工 CNC加工件 支撑板加工