大采汇 - 机械制造外协加工平台 - 数智化采购招标、询价报价B2B服务商

大采汇服务号

外六角头螺栓加工

点击图片查看原图
 
需求数量: 50000个
报价是否含税: 含税
报价是否含运费: 含运费
付款方式: 有预付
所在地: 浙江宁波市
发布时间: 2017-07-11
有效期至: 2017-07-26 [已过期]
浏览次数: 11
 
公司基本资料信息

您还没有登录,请登录后查看详情


 注意:查看联系方式,需开通VIP会员
详细说明
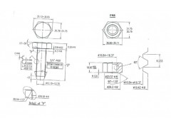
报价以下产品的含税价格:
3/4-6TPI x 2" (51mm)
标准: ANSI/ASME B18.2.1 外六角头螺栓
螺纹:ACME 6 TPI
机械性能:ASTM A325
表面:本色
数量:50,000
末端倒角如附件图纸。
图纸只做参考,具体按标准。

附件:   螺栓.pdf
 
更多>同类最新订单
离芯叶轮五轴加工 螺栓加工 钢套加工 零件加工 轴加工 螺母加工 小外导体加工 支管毛坯加工