手机版
桌面版
二维码
开年换新·稳价保供
施耐德电气新客礼
亚德客电磁阀37.99元
西门子PLC
博世电动工具
西门子PLC
大采汇服务号
公告:
首页广告位出租
点击查看详情>
首页
最新采购单
优质工厂
优质产品
公众号
小程序
认证中心
采购行业分类
塑胶件
冲压件
钣金加工
包装印刷
焊接件
机加工
表面处理
锻造铸造
电子电器
机械设备
服装纺织
玻璃制品
模具加工
木材家具
首页
>
最新订单
>
机加工
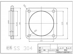
等离子切割法兰片加工
点击图片查看原图
需求数量:
100件
报价是否含税:
含税
报价是否含运费:
含运费
付款方式:
有预付
所在地:
江苏无锡市
发布时间:
2017-07-04
有效期至:
2017-08-03
[已过期]
浏览次数:
34
公司基本资料信息
您还没有登录,请登录后查看详情
注意
:查看联系方式,需开通
VIP会员
详细说明
图纸在附件 麻烦请报优惠价格 法兰片材质不锈钢厚度是14mm
附件:
波纹图纸法兰1.pdf
波纹图纸法兰2.pdf
波纹图纸法兰3.pdf
更多
>
同类最新订单
加工件
零件加工
50轴套走心机加工
机加工件
弹壳加工
径向接头加工
接嘴车加工
自动车/走芯机加工