大采汇 - 机械制造外协加工平台 - 数智化采购招标、询价报价B2B服务商

大采汇服务号

冲孔管加工

点击图片查看原图
 
需求数量: 25000只
报价是否含税: 含税
报价是否含运费: 含运费
付款方式: 有预付
所在地: 上海
发布时间: 2017-06-21
有效期至: 2017-07-21 [已过期]
浏览次数: 63
 
公司基本资料信息

您还没有登录,请登录后查看详情


 注意:查看联系方式,需开通VIP会员
详细说明

你好,我公司常年采购各类机械与汽配产品,全部出口美国。现有如下采购项目,

 

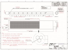
品名:冲孔管

材料:铝合金A5052或A1060,板厚0.7-0.9毫米

表面处理:用铬酸盐溶液钝化处理

规格:详见图纸。

采购数量:每年约2万只,长期采购。

包装:大木箱

 

若您厂可供,请报价人民币工厂交货含税价格。

更多>同类最新订单
冲压件加工 不锈钢冲压成型加工 304不锈钢冲压加工 304不锈钢冲压折弯成型加工 三环点火锁弹片加工 方型提把加工 不锈钢加工件 冲压件