手机版
桌面版
二维码
开年换新·稳价保供
施耐德电气新客礼
亚德客电磁阀37.99元
西门子PLC
博世电动工具
西门子PLC
大采汇服务号
公告:
首页广告位出租
点击查看详情>
首页
最新采购单
优质工厂
优质产品
公众号
小程序
认证中心
采购行业分类
塑胶件
冲压件
钣金加工
包装印刷
焊接件
机加工
表面处理
锻造铸造
电子电器
机械设备
服装纺织
玻璃陶瓷
模具加工
木材家具
首页
>
最新订单
>
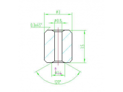
机加工
铜件加工
点击图片查看原图
需求数量:
100000个
报价是否含税:
含税
报价是否含运费:
含运费
付款方式:
有预付
所在地:
浙江杭州市
发布时间:
2015-07-15
有效期至:
2015-08-14
[已过期]
浏览次数:
63
公司基本资料信息
您还没有登录,请登录后查看详情
注意
:查看联系方式,需开通
VIP会员
详细说明
我司需要采购这种铜件,是用于后视镜手动拉索上的,数量大,产品规格详见图纸。请各位供应商分别提供含税价和不含税价,谢谢
更多
>
同类最新订单
前轴壳加工
挤压加工
紫铜管加工
斜齿加工
螺母加工
车铣复合件加工
偏心轴加工
组合件加工