手机版
桌面版
二维码
开年换新·稳价保供
施耐德电气新客礼
亚德客电磁阀37.99元
西门子PLC
博世电动工具
西门子PLC
大采汇服务号
公告:
首页广告位出租
点击查看详情>
首页
最新采购单
优质工厂
优质产品
公众号
小程序
认证中心
采购行业分类
塑胶件
冲压件
钣金加工
包装印刷
焊接件
机加工
表面处理
锻造铸造
服装纺织
机械设备
电子电器
玻璃制品
模具加工
木材家具
首页
>
最新订单
>
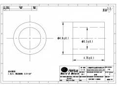
机加工
套筒加工
点击图片查看原图
需求数量:
800000件
报价是否含税:
含税
报价是否含运费:
含运费
付款方式:
有预付
所在地:
上海
发布时间:
2017-06-07
有效期至:
2017-06-22
[已过期]
浏览次数:
60
公司基本资料信息
您还没有登录,请登录后查看详情
注意
:查看联系方式,需开通
VIP会员
详细说明
套筒加工,按图纸加工,附件:
12017001-1-0000A-套筒.pdf
更多
>
同类最新订单
0.5模内齿圈加工
齿轮轴加工
定制镀硬铬光轴
并连齿轮加工
齿轮加工
6061铝管外协厂加工
PPS骨架挡板加工
7款加工件外协加工