大采汇 - 机械制造外协加工平台 - 数智化采购招标、询价报价B2B服务商

大采汇服务号

注塑模具加工

点击图片查看原图
 
需求数量: 10套
报价是否含税: 含税
报价是否含运费: 含运费
付款方式: 有预付
所在地: 上海
发布时间: 2017-05-26
有效期至: 2017-06-25 [已过期]
浏览次数: 34
 
公司基本资料信息

您还没有登录,请登录后查看详情


 注意:查看联系方式,需开通VIP会员
详细说明

你好,我司常年采购各类机械加工和汽配产品,全部出口美国。现有如下采购项目,

 

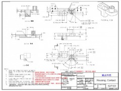
1、  品名:模具(只采购注塑模具,不是塑料产品),共10种产品。

2、  图纸:请看附件2D图纸,暂无3D图纸。

3、  模具的寿命设计:每型号至少生产10万只。

 

以下模具类产品我司长期采购。请报人民币上海交货含税价,填入附表报价单中。谢谢! 

此附件为10套:   1.pdf     2.pdf     3.pdf     4.pdf     5.pdf 

此附件为10套:   6.pdf     7.pdf     8.pdf     9.pdf     10.pdf
  
此附件为10套:   11.pdf     12.pdf     报价单.xlsx
更多>同类最新订单
开模定制 拉伸模具加工 开模定制 铸铝模具开模 冷挤模具加工 注塑模具加工 长年外发定制五金冲压小模具 长年外发五金冲压小模具