大采汇 - 机械制造外协加工平台 - 数智化采购招标、询价报价B2B服务商

大采汇服务号

机械加工外发

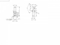
点击图片查看原图
 
需求数量: 3000件
报价是否含税: 含税
报价是否含运费: 含运费
付款方式: 有预付
所在地: 浙江宁波市
发布时间: 2017-04-15
有效期至: 2017-05-15 [已过期]
浏览次数: 372
 
公司基本资料信息

您还没有登录,请登录后查看详情


 注意:查看联系方式,需开通VIP会员
详细说明

供应商限宁海地区,(非宁海地区勿扰)

具体要求:

1,有各类机械加工设备,如车,铣,磨,钻,

2,图纸理解能力强

3,服务好,反应速度快,加工周期短、

4,有数控车,铣,走心机的厂家优先考虑

有能力的供应商,欢迎联系我司:刘经理
图纸:   2.JPG
 
更多>同类最新订单
底架加工 小车件 四款铝机加件 6061铝件加工 母端公端加工 不锈钢加工 铝合金压铸件 不锈钢加工件