手机版
桌面版
二维码
开年换新·稳价保供
施耐德电气新客礼
亚德客电磁阀37.99元
西门子PLC
博世电动工具
西门子PLC
大采汇服务号
公告:
首页广告位出租
点击查看详情>
首页
最新采购单
优质工厂
优质产品
公众号
小程序
认证中心
采购行业分类
塑胶件
冲压件
钣金加工
包装印刷
焊接件
机加工
表面处理
锻造铸造
电子电器
机械设备
服装纺织
玻璃制品
模具加工
木材家具
首页
>
最新订单
>
机加工
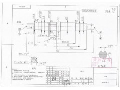
高精密轴杆机加工
点击图片查看原图
需求数量:
100000件
报价是否含税:
含税
报价是否含运费:
含运费
付款方式:
有预付
所在地:
广东东莞市
发布时间:
2017-04-05
有效期至:
2017-05-05
[已过期]
浏览次数:
53
公司基本资料信息
您还没有登录,请登录后查看详情
注意
:查看联系方式,需开通
VIP会员
详细说明
1. 需要德国精密设备生产
2. 出样时间和费用
3. 有独立的开发设计部门
4. 确定能做到 可直接联系我本人 详谈
谢绝贸易商 中间商, 求有实力、规模企业,洽谈。
图稿上面有详细要求。
图纸:
4.jpg
5.jpg
更多
>
同类最新订单
张紧轴加工
张紧板加工
前端板加工
车件
1.5米龙门铣加工
铝件加工
机架加工
刀封升降平台加工