大采汇 - 机械制造外协加工平台 - 数智化采购招标、询价报价B2B服务商

大采汇服务号

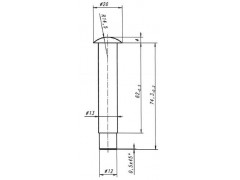
铝合金铆钉,材料6082,热处理T6

点击图片查看原图
 
需求数量: 50000支
报价是否含税: 含税
报价是否含运费: 含运费
付款方式: 有预付
所在地: 广东深圳市
有效期至: 2017-04-03 [已过期]
最后更新: 2017-03-27 23:47
浏览次数: 15
 
公司基本资料信息

您还没有登录,请登录后查看详情


 注意:发布人未在本站注册,建议优先选择VIP会员
详细说明
铝合金铆钉,材料6082,热处理T6,按图定制

我司是美国独资公司,在北京建厂20年,回款信誉良好。常年采购铝合金铆钉,材料6082,热处理T6。

每批订单量10000-20000支。

价格需要含税含运费,运输到我司北京工厂地址,北京市房山区良乡。

包装要求:

纸箱包装,纸箱强度达到:BE楞纸箱,耐破强度1570kpa,边压强度7kgf/cm,每个纸箱包装不超过25kg

纸箱打在托盘上,托盘要求免熏蒸托盘。纸箱表面不能出现文字。

更多>同类最新订单
吊具-可调节丝杆加工 细钢丝穿珠针加工 金属直角两通加工 T型三通加工 两通加工 四通加工 铁和不锈钢加工 机加工件