大采汇 - 机械制造外协加工平台 - 数智化采购招标、询价报价B2B服务商

大采汇服务号

塑料潜水艇及不倒翁开模注塑

点击图片查看原图
 
需求数量: 300000套
报价是否含税: 含税
报价是否含运费: 含运费
付款方式: 有预付
所在地: 江苏南通市
发布时间: 2017-03-23
有效期至: 2017-03-30 [已过期]
浏览次数: 27
 
公司基本资料信息

您还没有登录,请登录后查看详情


 注意:查看联系方式,需开通VIP会员
详细说明
本公司自己设计研发了一款产品,现在准备投产,寻模具供应商开模、试样以及最后生产! 

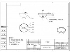
本次需要开模的零件一共有3个,分别是塑料潜水艇上部、下部以及配件,同时塑料潜水艇的底部我们考虑是在模具上做替换,有两种状态,分别是底部开有圆孔(作为潜水艇底部)和不开孔但是底部注有镶件(作为不倒翁)【详细的附件里会有相关图纸】。其余的例如这些零件组装成一个完整成品的使用比例、塑料件所要求的颜色、材质,图片里面都有。【做模具的供应商可以根据附件里的图纸与所附图片进行报价,如有疑问可以加QQ

如果有疑问,尽量QQ聊。谢谢!!!(附件还有四张详细图纸)

附件:
   不倒翁(3.18).pdf     潜水艇半球底部(3.18).pdf     潜水艇半球上部(3.18).pdf     潜水艇底部配件(3.20).pdf
更多>同类最新订单
采购密封圈 吹塑外发加工 采购PU麻将盒 硅胶注塑件 塑料滚筒加工 采购塑料包装盒和圆桶 塑料件加工 注塑加工件