大采汇 - 机械制造外协加工平台 - 数智化采购招标、询价报价B2B服务商

大采汇服务号

当前位置: 首页 » 最新订单 » 搜索
关键词
         
行业
类型   图片   VIP  
地区
日期
 
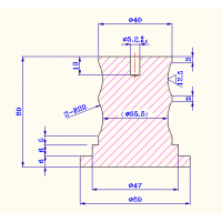
橡胶柱加工
[江苏常州市]
2020-02-27
[数量]
10000只
橡胶制品加工
  • 橡胶制品加工
  • 寻求<span class="highlight">橡胶</span>加工厂合作,需定制<span class="highlight"
  •   
[浙江杭州市]
2020-02-27
[数量]
1000个
丁腈橡胶件加工
  • 丁腈橡胶件加工
  • 丁腈<span class="highlight">橡胶</span>件加工,详见附件图纸,图纸: SC021-03 CHN
  •   
[江苏常州市]
2020-02-26
[数量]
6000个
橡胶发泡球加工
[辽宁沈阳市]
2020-02-26
[数量]
10000个
硅橡胶O型圈加工
  • 橡胶O型圈加工
  • O型圈 红色硅胶,外径:90毫米,95毫米,100毫米,105hm毫米,120毫米,125毫米,以上
  •   
[山东淄博市]
2020-02-26
[数量]
1000件
橡胶制品加工
[广东东莞市]
2020-02-23
[数量]
50000件
四氟PTFE橡胶膜片加工
[江苏镇江市]
2020-02-18
[数量]
50片
橡胶扎带加工
  • 橡胶扎带加工
  • 现需采购硅胶扎带,两种直径 58 和63 宽度分别是10MM 15MM 20MM 厚度1.2MM,OPP袋包装
  •   
[福建厦门市]
2020-02-12
[数量]
350000个
黄色透明橡胶锤加工
[浙江宁波市]
2020-01-15
[数量]
18000个
橡胶柱加工
[江苏常州市]
2020-01-13
[数量]
10000个
双面橡胶护线圈加工
[江苏南通市]
2020-01-09
[数量]
30只
橡胶木支架加工
  • 橡胶木支架加工
  • 采购我们图纸上的这个木质支架材质可以是不虫蛀不开裂的任何原木,但是外部要黑胡桃木
  •   
[浙江宁波市]
2020-01-07
[数量]
5000个
密封圈 橡胶塞 电缆密封件加工
[江苏南通市]
2020-01-07
[数量]
3000个
孔塞橡胶模具加工
[江苏南通市]
2020-01-05
[数量]
10套
全橡胶木餐椅加工
  • 橡胶木餐椅加工
  • 001餐椅实木椅子靠背椅--全<span class="highlight">橡胶</span>木材质,座板橡木指接
  •   
[浙江嘉兴市]
2020-01-04
[数量]
660张
橡胶防水冒防水护套加工
[广东佛山市]
2020-01-04
[数量]
10000只
橡胶类产品开模加工
  • 橡胶类产品开模加工
  • 本公司有一款新产品准备投产,涉及有3款<span class="highlight">橡胶</span>类产品需
  •   
[江苏南通市]
2020-01-02
[数量]
3000个
橡胶单车灯架加工
  • 橡胶单车灯架加工
  • <span class="highlight">橡胶</span>单车灯架 【材质】<span class="highlight">橡胶
  •   
[广东深圳市]
2019-12-31
[数量]
2000个
橡胶靴加工
  • 橡胶靴加工
  • 要求生产过靴子(<span class="highlight">橡胶</span>或塑料)的工厂来直接联系。
  •   
[浙江杭州市]
2019-12-30
[数量]
20000件
丁晴橡胶平垫加工
[广东佛山市]
2019-12-29
[数量]
10000件
 
相关搜索
 
今日搜索排行
 
本周搜索排行
 
本月搜索排行