大采汇 - 机械制造外协加工平台 - 数智化采购招标、询价报价B2B服务商

大采汇服务号

当前位置: 首页 » 最新订单 » 搜索
关键词
         
行业
类型   图片   VIP  
地区
日期
 
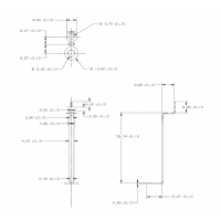
冲压件加工定做
  • 冲压件加工定做
  • 电子产品里用的冲压件,材料是K55, 表面电镀银镍合金,按25万个和75万个报价,图纸详
  •   
[上海]
2019-11-03
[数量]
750000个
冲压件加工
  • 冲压件加工
  • 实单采购冲压件,材质:冷轧板表面处理:喷粉白色 数量:25000套板厚1.6MM
  •   
[广东深圳市]
2019-10-29
[数量]
26000套
线卡冲压件加工
[江苏南京市]
2019-10-24
[数量]
200万只
五金冲压件加工
[广东东莞市]
2019-10-22
[数量]
10000件
云母冲压件加工
  • 云母冲压件加工
  • 云母<span class="highlight">冲压件加工</span>,塑封机云母条,1*17*320
  •   
[浙江嘉兴市]
2019-10-21
[数量]
50000件
吊柜配件移门轮冲压件加工
[浙江温州市]
2019-10-16
[数量]
60000套
折弯冲压件加工
[浙江绍兴市]
2019-10-17
[数量]
2000件
冲压件加工
[上海]
2019-10-15
[数量]
10000只
冲压件加工
  • 冲压件加工
  • 不锈钢304冲压件,能生产成品优先 ,年用量2万只。
  •   
[江苏盐城市]
2019-10-14
[数量]
1000件
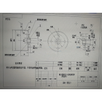
冲压件加工
  • 冲压件加工
  • 桶提手,<span class="highlight">冲压件加工</span>。图纸: MX-2614N_20190722_0648
  •   
[河北沧州市]
2019-10-13
[数量]
2000000件
小角码冲压件加工
  • 小角码冲压件加工
  • 1.2mm厚度,M3螺纹,90度角码,表面电镀蓝锌,尺寸如图,标价要求,含普通发票含运费
  •   
[山东青岛市]
2019-10-12
[数量]
50000个
冲压件加工
[江苏苏州市]
2019-10-10
[数量]
1300件
不锈钢冲压件加工
[上海]
2019-10-02
[数量]
50万件
冲压件加工
[浙江台州市]
2019-09-28
[数量]
10000只
冲压件加工
  • 冲压件加工
  • 1-75*40*30*1.7--不锈钢材质 5000个2-75*20*20*1.8--铁镀黑锌 10000个3-35*35*40*1.5-
  •   
[广东深圳市]
2019-09-24
[数量]
20000个
冲压件加工
[广东东莞市]
2019-09-23
[数量]
8000个
五金冲压件加工
[浙江杭州市]
2019-09-21
[数量]
6000个
五金冲压件加工
[江苏常州市]
2019-09-16
[数量]
50000个
冲压件加工
  • 冲压件加工
  • 求购附件的冲压件,订货量五万,厚度1MM,详情联系扣扣
  •   
[河北石家庄市]
2019-09-15
[数量]
50000个
冲压件加工
  • 冲压件加工
  • 材料:不锈钢 铜 铝合金工业:滴胶 电镀 麻油尺寸:直径40毫米 需要贴合到注塑件
  •   
[广东广州市]
2019-09-04
[数量]
2000000件
 
相关搜索
 
今日搜索排行
 
本周搜索排行
 
本月搜索排行