大采汇 - 机械制造外协加工平台 - 数智化采购招标、询价报价B2B服务商

大采汇服务号

当前位置: 首页 » 最新订单 » 搜索
关键词
         
行业
类型   图片   VIP  
地区
日期
 
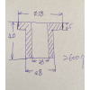
法兰石墨铜套加工
  • 法兰石墨铜套加工
  • 产品名称采购量产品描述石墨铜套2600只发兰直径58法兰厚度5外径48内孔38总高40,不含
  •   
[浙江嘉兴市]
2016-04-13
[数量]
2600只
注塑-双色模具注塑加工
[浙江台州市]
2016-04-13
[数量]
100000件
抽芯铆钉加工
  • 抽芯铆钉加工
  • 抽芯铆钉-内把手支架1237076W702616-S437,我司采购福特全顺汽配产品,希望有生产此产
  •   
[浙江]
2016-04-13
[数量]
1000只
凸轮轴链轮(齿轮加工)
[浙江温州市]
2016-04-13
[数量]
1000只
鼓风轮模具加工
  • 鼓风轮模具加工
  • 产品名称采购量产品描述鼓风机轮叶模具1副不平衡量小于等于3mmg鼓风机轮叶模具1副1:
  •   
[浙江温州市]
2016-04-13
[数量]
1副
125T冲压件加工
  • 125T冲压件加工
  • 汽车零部件手刹中的冲压件产品,量多。寻找125T冲压件生产及模具开发能力的配套厂家,
  •   
[浙江宁波市]
2016-04-13
[数量]
100000件
不锈钢手柄加工
[浙江宁波市]
2016-04-13
[数量]
500个
凹凸印刷加工
  • 凹凸印刷加工
  • 产品名称采购量产品描述凹凸印刷20000平方印刷幅宽1米
  •   
[浙江温州市]
2016-04-13
[数量]
20000平方
粉末冶金齿轮加工
  • 粉末冶金齿轮加工
  • 产品名称采购量产品描述行星齿轮10000只看图加工PY-EGRA272-25.pdfPY-EGRA272-27.pdf
  •   
[浙江温州市]
2016-04-13
[数量]
10000只
铜基粉末冶金轴套加工
[浙江温州市]
2016-04-13
[数量]
10000只
带内螺纹的注塑模具制作
[浙江金华市]
2016-04-12
[数量]
3套
全铜接头加工,急
[浙江金华市]
2016-04-12
[数量]
5000个
五金冲压件
  • 五金冲压件
  • 产品名称采购量产品描述电热管法兰片10000个SUS201圆棒10000件
  •   
[浙江杭州市]
2016-04-12
[数量]
10000个
不锈钢五金冲压配件
[浙江温州市]
2016-04-12
[数量]
1000000个
板金加工厚板折弯加工
  • 板金加工厚板折弯加工
  • 三维图请点击下面连接地址输入密码下载,注:没有CAD,需要自己转。链接:http://pan.b
  •   
[浙江温州市]
2016-04-12
[数量]
3500套
衬套加工
  • 衬套加工
  • 产品名称采购量产品描述控制臂衬套3000件详细尺寸见图纸
  •   
[浙江宁波市]
2016-04-12
[数量]
3000件
非标螺丝加工
  • 非标螺丝加工
  • 产品名称采购量产品描述非标螺丝螺母30000套见附件图片及外形尺寸
  •   
[浙江宁波市]
2016-04-12
[数量]
30000套
伞齿轮加工
[浙江宁波市]
2016-04-12
[数量]
3200个
铝压铸件
[浙江杭州市]
2016-04-12
[数量]
5000件
不锈钢精铸加工
[浙江杭州市]
2016-04-12
[数量]
10000只
 
今日搜索排行
 
本周搜索排行
 
本月搜索排行