大采汇 - 机械制造外协加工平台 - 数智化采购招标、询价报价B2B服务商

大采汇服务号

当前位置: 首页 » 最新订单 » 搜索
关键词
         
行业
类型   图片   VIP  
地区
日期
 
金属软管加工
  • 金属软管加工
  • 核动力应用产品,详见资料(加VX联系),国家重点项目,须通过招投标程序,不能直接发
  •   
[浙江绍兴市]
2021-02-19
[数量]
80000套
螺栓螺母测试圈加工
[浙江宁波市]
2021-02-19
[数量]
5000件
产品外发雕刻机加工
  • 产品外发雕刻机加工
  • 产品外发雕刻机加工,巡雕刻机对外加工厂家。有意向的联系我,仅限于宁波区域铝合金盖
  •   
[浙江宁波市]
2021-02-18
[数量]
1500件
电池连接片冲压加工
[浙江宁波市]
2021-02-18
[数量]
300000条
工作服加工
[浙江宁波市]
2021-02-17
[数量]
100套
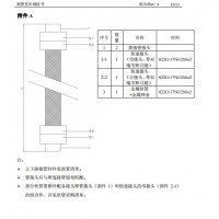
机加工件定制
  • 机加工件定制
  • 见图,材料35crmo,数量100件每次。目标价含税130-140元。限江浙供应商,外地勿扰。图
  •   
[浙江宁波市]
2021-02-16
[数量]
100件
电源线加工
[浙江温州市]
2021-02-15
[数量]
200000条
牛皮纸手提袋定制
  • 牛皮纸手提袋定制
  • 80g白色淋膜牛皮纸袋,22cm宽 x 28cm高 x 9cm底, 方底(底宽可以根据供应商改变尺寸
  •   
[浙江金华市]
2021-02-15
[数量]
200000个
塑料购物袋定制
  • 塑料购物袋定制
  • 塑料购物袋购物包,出口欧洲,每个季度150万只,产品细节电话详谈,有生产资质的工厂
  •   
[浙江金华市]
2021-02-15
[数量]
1500000只
线路板定制
[浙江宁波市]
2021-02-05
[数量]
50000片
灭菌器加工
  • 灭菌器加工
  • 求购如图所示的灭菌器,容量大概5L,或者你们最少容量多少,要求操作面板是在正前面。
  •   
[浙江宁波市]
2021-02-05
[数量]
10台
带遥控器电子蜡烛加工
[浙江宁波市]
2021-02-05
[数量]
3000个
M8螺杆床脚加工
  • M8螺杆床脚加工
  • 塑料床脚三节拼装 塑料床脚 可自由组合,M8螺杆,数量 1万
  •   
[浙江宁波市]
2021-02-05
[数量]
10000件
硅胶滴标定制
[浙江嘉兴市]
2021-02-04
[数量]
50000个
金属平底封头加工
[浙江杭州市]
2021-02-04
[数量]
1500个
蜗轮减速机加工
[浙江宁波市]
2021-02-04
[数量]
1000台
塑料玩具拼搭拼插加工
[浙江宁波市]
2021-02-03
[数量]
1000套
冷镦机加工
[浙江绍兴市]
2021-02-03
[数量]
100000件
车圈加工
  • 车圈加工
  • 20*4高40车圈,20寸宽4英寸高40MM的车圈,500个304不锈钢定制品,3张图纸各2000个,60
  •   
[浙江宁波市]
2021-02-03
[数量]
6000只
喷涂台工装加工
  • 喷涂台工装加工
  • 采购物料参数请查看附件1 挡板支架 1件 挡板支架(A0).pdf2 挡板支架2 2件 挡板支架2
  •   
[浙江湖州市]
2021-02-02
[数量]
15件
 
今日搜索排行
 
本周搜索排行
 
本月搜索排行