大采汇 - 机械制造外协加工平台 - 数智化采购招标、询价报价B2B服务商

大采汇服务号

当前位置: 首页 » 最新订单 » 冲压件
塑胶件 (11582) 冲压件 (3487) 钣金加工 (2425) 包装印刷 (1320) 焊接件 (746) 机加工 (33489)
表面处理 (2762) 锻造铸造 (3723) 服装纺织 (1008) 机械设备 (0) 电子电器 (7102) 玻璃制品 (0)
模具加工 (3341) 木材家具 (0)
 
 
304不锈钢环,五金冲件加工
[江苏南京市]
2020-09-17
[数量]
1000000件
金属片加工
[浙江宁波市]
2020-09-16
[数量]
30000个
冲压管帽加工
  • 冲压管帽加工
  • 1-冲压管帽--适用于直径89.5毫米圆管1000件2-冲压管帽--适用于直径114毫米圆管1000件3
  •   
[山东青岛市]
2020-09-16
[数量]
1000件
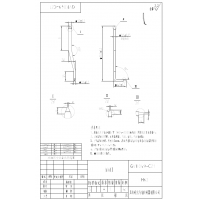
搪瓷板-冲压件
  • 搪瓷板-冲压件
  • 需采购搪瓷板,图纸如下。每批出货约6000个,板子制作工艺为冲压,搪瓷效果如图。能做
  •   
[江苏无锡市]
2020-09-16
[数量]
6000个
304不锈钢内胆加工
[湖北孝感市]
2020-09-15
[数量]
300个
方平垫加工
  • 方平垫加工
  • 方平垫40*40*4mm孔径17Q2351、交货期:要求现货,下单3日内到货。2、必须开具13%增值
  •   
[辽宁沈阳市]
2020-09-15
[数量]
5000个
冲压拉伸件
  • 冲压拉伸件
  • 1.针对河北沧州冲压件厂家 2.有现成模具 附件: 采购拉伸件.xlsx
  •   
[浙江杭州市]
2020-09-14
[数量]
50000个
五金冲压件加工
  • 五金冲压件加工
  • 采购五金冲压件 规格:如图所示;质量:良好;价格:0.56+0.02元,含运输费,含税(6%
  •   
[广东东莞市]
2020-09-14
[数量]
6000万套
钣金冲压件
  • 钣金冲压件
  • 119025-42020材料:SPCC,t=3.2数量:30000个/年(分3次下单,每次10000个)119125-42
  •   
[上海]
2020-09-11
[数量]
33000件
铝管挤拉伸加工
  • 铝管挤拉伸加工
  • 求购冲压 铝合金拉伸件,铝挤拉伸,铝管高度96mm,直径17mm,管壁厚度0.7mm。寻找做过
  •   
[广东东莞市]
2020-09-11
[数量]
100000件
加厚垫片加工
  • 加厚垫片加工
  • 1-加厚垫片-20436A31000个2-加厚垫片-12406A31000个3- 加厚垫片-14436A31000个
  •   
[广东深圳市]
2020-09-09
[数量]
3000个
这几款都是防火闭门器上用的。
[江苏盐城市]
2020-09-08
[数量]
大量
不锈钢冲压件加工
[上海]
2020-09-07
[数量]
200000个
冲压件(端子H62铜)加工
[上海]
2020-09-04
[数量]
300000pcs
五金夹子加工
[广东东莞市]
2020-09-04
[数量]
200000PCS
五金冲压件喷银灰色粉加工
[广东东莞市]
2020-09-04
[数量]
20000件
冲压喷塑加工
[浙江温州市]
2020-09-03
[数量]
200000片
金属件 冲压件 拉伸件 异形钢管件
[山东青岛市]
2020-09-01
[数量]
45000个
不锈钢拉伸锅加工
[湖北孝感市]
2020-08-29
[数量]
5000套
拉深锅加工
  • 拉深锅加工
  • 拉深锅模具及产品采购304不锈钢。CAD图纸(解压): 拉深锅.rar
  •   
[浙江温州市]
2020-08-28
[数量]
300件/月
 «上一页   1   2   …   22   23   24   25   26   …   174   175   下一页»   共3487条/175页 

 
本周搜索排行