大采汇 - 机械制造外协加工平台 - 数智化采购招标、询价报价B2B服务商

大采汇服务号

当前位置: 首页 » 最新订单 » 锻造铸造
塑胶件 (11582) 冲压件 (3487) 钣金加工 (2425) 包装印刷 (1320) 焊接件 (746) 机加工 (33489)
表面处理 (2762) 锻造铸造 (3723) 服装纺织 (1008) 机械设备 (0) 电子电器 (7102) 玻璃制品 (0)
模具加工 (3341) 木材家具 (0)
 
 
铸铝管帽加工
  • 铸铝管帽加工
  • 请再联系我的同时,提供产品实物供我确认。1-球形方管帽---2000件2-尖头塔形方管帽---
  •   
[山东青岛市]
2020-06-30
[数量]
2000件
压铸模铝合金壳件加工
  • 压铸模铝合金壳件加工
  • 是我们工厂锁具产品的铝合金头盖,光滑漂亮烤漆面,厚度2毫米。重量130克,长期批量采
  •   
[广东深圳市]
2020-06-29
[数量]
10000个
大件铸铝法兰加工
[江苏南京市]
2020-06-29
[数量]
800件
铝浇铸模具和铝浇铸加工
[江苏无锡市]
2020-06-27
[数量]
2套
铝铸造加工
[重庆]
2020-06-23
[数量]
1000件
铝合金压铸件加工
  • 铝合金压铸件加工
  • 长期大量采购铝合金压铸件(如图) 数量:每个月20万个; 材料:铝合金; 欢迎生产厂
  •   
[广东江门市]
2020-06-23
[数量]
200000个
黄铜铸件加工
[山东潍坊市]
2020-06-23
[数量]
500件
锻件加工
  • 锻件加工
  • 采购17CrNiMo6锻件,减速机用齿轮、齿轮轴
  •   
[山东淄博市]
2020-06-23
[数量]
500KG
锻件轴加工
[浙江宁波市]
2020-06-23
[数量]
1000件
锻件加工
  • 锻件加工
  • 求购大型锅炉部件(锻件)235F系列
  •   
[浙江台州市]
2020-06-22
[数量]
50套
压铸锌加工件
  • 压铸锌加工件
  • 压铸锌加工件,图纸: XLD-04 右内夹爪.PDF XLD-08 外夹左夹爪.PDF XLD-03 左内夹爪.P
  •   
[广东东莞市]
2020-06-22
[数量]
1000件
Q345C精铸加工
[河北沧州市]
2020-06-20
[数量]
3吨
锌合金压铸件,小零件,牙刷配件
[河北沧州市]
2020-06-20
[数量]
8000000件
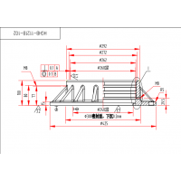
铝合金压铸散热器加工
  • 铝合金压铸散热器加工
  • 1、贵方的LED散热器要符合投标要求。2、如贵方的散热器不要符合投标要求,则由本方提
  •   
[广东东莞市]
2020-06-19
[数量]
7800个
压铸+机加工
  • 压铸+机加工
  • 机台最好是伊之密跟力劲的 机台吨位是180到400这样子 主要做铝合金加工
  •   
[广东东莞市]
2020-06-19
[数量]
1批
不锈钢弯头锻造加工
[河北沧州市]
2020-06-18
[数量]
20000个
铝压铸产品加工
[广东东莞市]
2020-06-18
[数量]
5000件
铝铸造加工
[浙江金华市]
2020-06-18
[数量]
5000件
不锈钢精密铸造加工
  • 不锈钢精密铸造加工
  • 详细见图。表面必须漂亮。厚度2-3毫米。重量大概25-30克,一次1千。一年1万上下。有诚
  •   
[浙江金华市]
2020-06-18
[数量]
1000个
铸铁饮水碗加工
[河南郑州市]
2020-06-17
[数量]
500个
 «上一页   1   2   …   30   31   32   33   34   …   186   187   下一页»   共3723条/187页 

 
本周搜索排行