大采汇 - 机械制造外协加工平台 - 数智化采购招标、询价报价B2B服务商

大采汇服务号

当前位置: 首页 » 最新订单 » 焊接件
塑胶件 (11582) 冲压件 (3485) 钣金加工 (2425) 包装印刷 (1320) 焊接件 (746) 机加工 (33489)
表面处理 (2762) 锻造铸造 (3723) 服装纺织 (1008) 机械设备 (0) 电子电器 (7102) 玻璃制品 (0)
模具加工 (3341) 木材家具 (0)
 
 
挤出设备静态混合器加工
[上海]
2020-08-21
[数量]
100个
筛网块加工
  • 筛网块加工
  • 公司长期大量订购镀锌筛网块 编织筛网板 钢筋焊接网盘,尺寸联系采购罗小姐,感谢!
  •   
[广东东莞市]
2020-08-20
[数量]
15000件
高频焊接加工 PP塑料水箱焊接
[广东中山市]
2020-08-16
[数量]
1000个
不锈钢拉伸焊接加工
  • 不锈钢拉伸焊接加工
  • 详细见图。可加手机发图纸表面必须漂亮。厚度1-1.5毫米。重量大概25-30克,一次1千。
  •   
[浙江金华市]
2020-08-02
[数量]
1000个
钢结构玻璃墙幕焊接和施工
[河南开封市]
2020-07-29
[数量]
200平方米
不锈钢焊接加工
  • 不锈钢焊接加工
  • 求购 不锈钢(铁线)焊接加工2000套(见附图,共3张), 请厂商将报价发至 purchase@uvsky.c
  •   
[北京]
2020-07-27
[数量]
2000套
牧场门加工
  • 牧场门加工
  • 1-牧场门--外径33.4*壁厚2毫米镀锌管(上锌量不低于200克),焊接折弯。200件2-农场门
  •   
[山东青岛市]
2020-07-24
[数量]
200件
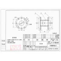
法兰焊接件
  • 法兰焊接件
  • 法兰件共3件,每批采购200件,年采购2000件。图纸: 分体形式法兰盘.pdf
  •   
[江苏苏州市]
2020-07-22
[数量]
600件
330焊接罐子加工
[江苏无锡市]
2020-07-17
[数量]
1件
6.25铁线打圈加工
  • 6.25铁线打圈加工
  • 1-6.22铁线打直径76mm+对焊-调直--17300件2-6.22铁线断成16mm---23400头
  •   
[广东惠州市]
2020-07-14
[数量]
17300件
五金焊接件
[广东东莞市]
2020-07-10
[数量]
10000件
大型设备用焊接加工件
[北京]
2020-07-10
[数量]
70吨
不锈钢焊接加工
  • 不锈钢焊接加工
  • 求购不锈钢铁线焊接加工2000套(见附图,共3张), 请厂商将报价发至 purchase@uvsky.co
  •   
[北京]
2020-07-10
[数量]
2000套
弹簧加工 焊接加工
  • 弹簧加工 焊接加工
  • 铁线折弯加工 食品等级无磁不锈钢304 表面食品级镀铬处理 重量860克 含税单价35元
  •   
[浙江宁波市]
2020-07-09
[数量]
500个
铝合金椅子加工
[广东广州市]
2020-07-06
[数量]
30把
焊接网加工
[浙江宁波市]
2020-07-03
[数量]
10卷
铁线折弯加工 铁线焊接加工
[浙江宁波市]
2020-07-03
[数量]
500个
钢丝篦子铁锅支架锅架钢丝焊接架
[山东青岛市]
2020-07-03
[数量]
6000个
焊接加工件
  • 焊接加工件
  • 锯架,总计图纸70张,总重量8吨,有大件和小件,按照吨单价报价
  •   
[北京]
2020-07-02
[数量]
8吨
焊接螺母柱加工
  • 焊接螺母柱加工
  • 6x8长,铁镀铜,有图纸,没有螺纹,球面,有库存的可以添加VX
  •   
[广东深圳市]
2020-06-29
[数量]
25000个
 «上一页   1   2   …   6   7   8   9   10   …   37   38   下一页»   共746条/38页 

 
本周搜索排行