大采汇 - 机械制造外协加工平台 - 数智化采购招标、询价报价B2B服务商

大采汇服务号

塑胶件 (11634) 冲压件 (3515) 钣金加工 (2449) 包装印刷 (1325) 焊接件 (751) 机加工 (34043)
表面处理 (2776) 锻造铸造 (3756) 电子电器 (7128) 机械设备 (6) 服装纺织 (1010) 玻璃陶瓷 (5)
模具加工 (3347) 木材家具 (1)
 
 
  • 产品名称:4米龙门加工件
  • 详细说明:4米龙门加工件,需要有
  • 需求数量:200套
  • 所在地区:四川绵阳市
  • 发布日期:2026-04-21
  • 产品名称:蜗轮蜗杆加工
  • 详细说明:要求,如图,1000套含
  • 需求数量:1000套
  • 所在地区:浙江金华市
  • 发布日期:2026-04-21
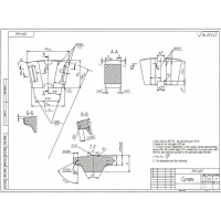
  • 产品名称:双曲柄加工
  • 详细说明:双曲柄加工,按图纸,
  • 需求数量:1批
  • 所在地区:浙江湖州市
  • 发布日期:2026-04-21
  • 产品名称:齿轮轴加工
  • 详细说明:要求:如图,材料我们出
  • 需求数量:22件
  • 所在地区:广东东莞市
  • 发布日期:2026-04-21
  • 产品名称:底盖加工
  • 详细说明:要求:如图,电话拉黑,
  • 需求数量:150000件
  • 所在地区:广东深圳市
  • 发布日期:2026-04-21
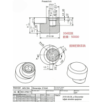
  • 产品名称:圆柱销加工
  • 详细说明:圆柱销,按图纸
  • 需求数量:500000
  • 所在地区:浙江杭州市
  • 发布日期:2026-04-21
  • 产品名称:锂电池前道处理烘箱设备
  • 详细说明:240台,先打样1台,打
  • 需求数量:1批
  • 所在地区:江苏无锡市
  • 发布日期:2026-04-21
  • 产品名称:冲压件加工
  • 详细说明:汽车零配件,如图,冲
  • 需求数量:5000件
  • 所在地区:广西柳州市
  • 发布日期:2026-04-21
  • 产品名称:散热片加工
  • 详细说明:散热片加工,如图
  • 需求数量:10000
  • 所在地区:广东深圳市
  • 发布日期:2026-04-21
  • 产品名称:底板激光切割加工
  • 详细说明:底板激光切割加工,如
  • 需求数量:1万
  • 所在地区:广东东莞市
  • 发布日期:2026-04-21
  • 产品名称:采购双头数控车床
  • 详细说明:东莞,采购双头数控车
  • 需求数量:3台
  • 所在地区:广东东莞市
  • 发布日期:2026-04-21
  • 产品名称:铝合金煎锅定制
  • 详细说明:铝合金煎锅,定制形状
  • 需求数量:2000pcs
  • 所在地区:广东东莞市
  • 发布日期:2026-04-21
  • 产品名称:碾环加工
  • 详细说明:Q235材料。600件,粗车
  • 需求数量:600件
  • 所在地区:浙江宁波市
  • 发布日期:2026-04-21
  • 产品名称:铝合金外壳加工
  • 详细说明:铝合金外壳,如图
  • 需求数量:10000件
  • 所在地区:广东深圳市
  • 发布日期:2026-04-21
  • 产品名称:铜件加工
  • 详细说明:铜件加工,按图纸
  • 需求数量:10000000个
  • 所在地区:广东深圳市
  • 发布日期:2026-04-21
  • 产品名称:轴加工
  • 详细说明:轴加工,如图
  • 需求数量:1批
  • 所在地区:广东肇庆市
  • 发布日期:2026-04-21
  • 产品名称:线切割加工
  • 详细说明:线切割件,如图
  • 需求数量:30000件
  • 所在地区:广东肇庆市
  • 发布日期:2026-04-21
  • 产品名称:钣金冲压件
  • 详细说明:如图,量大,时间紧,
  • 需求数量:300000件
  • 所在地区:安徽合肥市
  • 发布日期:2026-04-21
  • 产品名称:车铣复合件加工
  • 详细说明:车铣复合件加工,如图
  • 需求数量:30000
  • 所在地区:广东深圳市
  • 发布日期:2026-04-21
  • 产品名称:焊接管加工
  • 详细说明:如图,16mm内孔9
  • 需求数量:1000000个
  • 所在地区:浙江绍兴市
  • 发布日期:2026-04-21

 
本周搜索排行